搜索
网站首页
关于我们
关于我们
公司简介
资质荣誉
企业文化
产品中心
产品中心
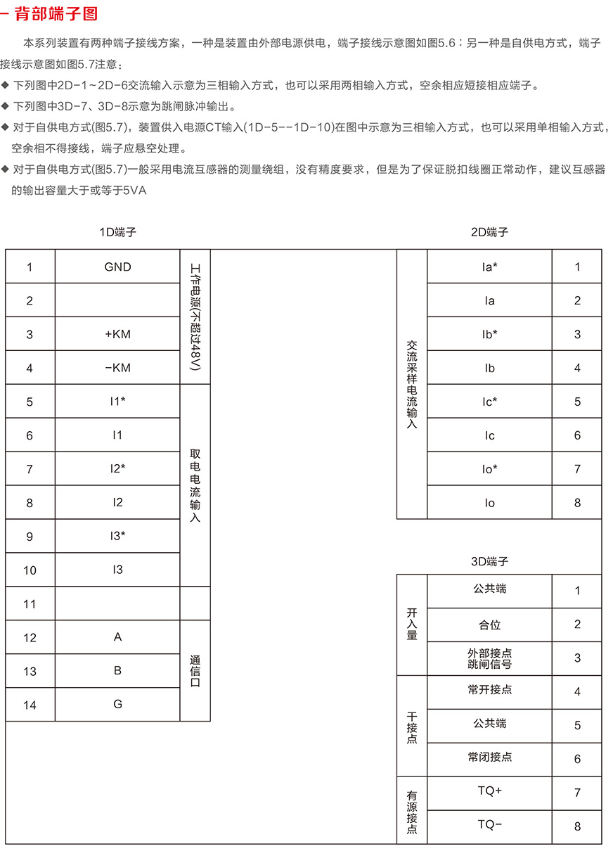
HDZ-500系列智能监控保护装置
HDZ-700系列智能(自供电)测控保护装置
HDZ-9500系列微机综合保护测控装置
HDZ-9000系列微机保护测控装置
HD-2000系列微机综合保护测控装置
HD-6000系列综合自动化系列
微机系列
HD200A系列微机保护测控装置
电力仪表系列
智能监控系列
新闻资讯
新闻资讯
公司新闻
行业动态
工程案例
资料下载
联系我们
"navigation"
网站首页
关于我们
公司简介
资质荣誉
企业文化
产品中心
HDZ-500系列智能监控保护装置
HDZ-700系列智能(自供电)测控保护装置
HDZ-9500系列微机综合保护测控装置
HDZ-9000系列微机保护测控装置
HD-2000系列微机综合保护测控装置
HD-6000系列综合自动化系列
微机系列
HD200A系列微机保护测控装置
电力仪表系列
智能监控系列
新闻资讯
公司新闻
行业动态
工程案例
资料下载
联系我们
Product Center
产品中心
产品中心
首页
-
产品中心
-
HDZ-700系列智能(自供电)测控保护装置
-
HDZ-700系列智能(自供电)测控保护装置
HDZ-700系列智能(自供电)测控保护装置
详细信息
返回
上一个:没有了
下一个:没有了
返回>>
相关产品
HDZ-700系列智能(自供电)测控保护装置
© 南京慧电电力科技有限公司
浙ICP备12040812号
XML
网站地图
微信
咨询
网址二维码
客服
热线
13291797777
客服热线